Комбайн Нью холланд SR8090 высвечивает ошибку на климат контроль 0,1. Что она означает ?

Всем доброго времени суток.Комбайн Нью холланд SR8090 высвечивает ошибку на климат контроль 0,1 что она означает может кто сталкивался с такой проблемой , гонит теплый воздух в течении 30 минут затем может охладить минут 5 , затем все повторяется фреон на месте.Благодарю за ответы.

Комбайн SR8090 Нью Холланд Ошибка ошибка 01 климат контроль что может быть Что это?

Переделываю мтз 82 малая кабина с пускача на стартер, через переходную плиту, ставить буду стартер 12в Какой стартер лучше,и какого сечения провода?

Добрый день! Переделываю мтз 82 малая кабина с пускач на стартер, через переходную плиту, ставить буду стартер 12в Кто переделывал, посоветуйте какой стартер брать словак 2.7 или 4.2кВт? И собираюсь брать 2 акб по 90Аh хватит этого? И какого сечения брать провода? Трактор используется зимой, и стоит в холодном керпичном гараже, с электричеством проблемы так что подогревать возможности нет если только горелкой газовой.Всем спасибо заранее.

Как переделать ? Переделать Стартер Малая кабина МТЗ 82 Переходная плита Какой лучше? Сечение Провода

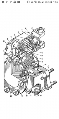
Как затягивать головку блока цилиндра на смд 31?(дон 1500А).есть ли схема?

Как затягивать головку блока цилиндра на смд 31?(дон 1500А).есть ли схема?

Мужики! Очень срочно как затягивать головку блока цилиндра на смд 31?(дон 1500А)если есть у кого схема пришлите пожалуйста, буду очень благодарен

Затягивать Как головка Блок Блок цилиндров сдм 31 Дон 1500а Схема

Почему на к 744 р-3 при включение тормозов-синхронизаторов т.е рычаг до конца, тормозки не останавливаются ? На заглушенном включает.

Доброго времени суток.На к 744 р-3 при включение тормозов-синхронизаторов т.е рычаг до конца тормозки не остонавливаютс че мб? на заглушенном включается.Всем спасибо за ответы.

Почему К-744р3 Тормозки тормоз-синхронизатор Включение не останавливается Рычаг заглушен Включаться

Можно ли переоборудовать под стартер мтз с пускача без замены плиты и маховика?

Всем привет. Никто не переоборудовал под стартер мтз ? С пускача без замены плиты и маховика. Видел в инете переходную плиту и звездочку бендикса под маховик( пускачного ) . Так вот есть сайт откуда можно заказфвать? И стартер там же чтобы купить. И как воообще ? Норм ли такое переоборудовывание?

Переоборудования Переделать Можно ли МТЗ 82 Пускач Стартер Не снимать Плита Маховик

Есть у кого чертеж щупа топливного бака на юмз, что бы сделать щуп для замера топлива?

Доброй ночи есть у кого чертеж щупа топливного бака на юмз что бы сделать щуп для замера топлива.

Чертеж Щуп топливный бак ЮМЗ Замер Топливо

Что можно поставить на гусеницы ктз т 70 и дт 75 ,чтобы по асфальту не било? Есть ли резиновые траки на гусеницы?

Привет мужики! Вопрос на засыпку. Кто сталкивался? Что можно поставить на гусеницы ктз т 70 и дт 75 чтоб по асфальту не било.? Слышал про какие то резиновые траки на гусень надевают. Или есть гусень резиновая? А вообще не в курсе. Хотел бы поподробнее разобраться? Заранее спасибо за советы.

Что можно Гусеницы гусеничный Гусеничный трактор ктз т 70 Т-70 ктз ДТ-75 Асфальт бить резина резиновые траки

Почему валтра Т161С ДО 1200-1500 оборотов работает идеально, свыше начинает рычать, скидываешь до 1000 и опять работает идеально?

Доброго времени суток.ребята подскажите кто сталкивался с такой проблемой. валтра Т161С ДО 1200-1500 работает идеально, свыше начинает рычать, скидываешь до 1000 и опять работает идеально.Спасибо

валтра Т161С Малые обороты Обороты Обороты двигателя Большие обороты Рычание Работает Двигатель Хорошо

Почему на к 744 р-3 при включение тормозов-синхронизаторов, тормозки не останавливаются,когда рычаг до конца ?

на к 744 р-3 при включение тормозов-синхронизаторов т.е рычаг до конца тормозки не остонавливаютс че мб? на заглушенном включается.

К-744 Р Кировец Тормозки Тормоза тормоз-синхронизатор не останавливается Рычаг До конца

Чем отличается рулевая сошка МТЗ -80 от МТЗ -82?

Всем привет! Есть вопрос? Как отличить рулевую сошку МТЗ -80 от МТЗ -82. Есть ли разница? Спасибо за ответы.

МТЗ 80 МТЗ 82 Чем отличается Рулевая сошка

Енисей 950 2010 года двигатель ямз-236.Какой размер ремней привода на нш-32 гидравлики ?

Срочно нужна помощь Енисей 950 2010 года двигатель ямз-236 размер ремней привода на нш-32 гидравлики Не подскажите какой размер у ремней Всем спасибо за помощь заранее

Енисей Енисей 950 Двигатель ЯМЗ 236 Какой Размер Ремень Привод НШ НШ 32 Гидравлика

Почему гур на мтз 82 на холодную можно пальчиком крутить, а как нагреется 2 руками не сдвинешь?

Доброго времени суток.Подскажите пожалуйста гур на мтз 82 на холодную можно пальчиком крутить, а как нагреется 2 руками не сдвинешь. Что смотреть?Спасибо заранее.

ГУР МТЗ МТЗ 82 На холодную Крутиться Крутит Легко Нагреется Тяжело не сдвинешь

Почему на работающем мтз 82 выходит вода грязная, пузырится с воздухом сверху?

Почему на работающем мтз 82 выходит вода грязная, пузырится с воздухом сверху?

Ребят всем привет на мтз 82 когда работает выходит вода грязная пузырится с воздухом с верху.

Почему МТЗ МТЗ 82 Работает Вода Сверху Пузырится Воздух грязная

Где лучше купить мтз 82.1 ?

Приветствую ребята. Хотим купить 82.1, только не знаем где лучше купить. Самарская область у нас есть ЛБР, БелАгро, Подшипник МашСамара, РусБизнесАвто ну еще есть какие то. Подскажите где лучше купить.

МТЗ МТЗ 82.1 Где купить? Лучше

Как в работе косилка Виракс, ширину какую взять для т40?

Всем здоровче. Покупал кто косилку виракс??? Что можете саазать за неё? И ширину какую взять для т40. Говорят что 1.65 самое нормальное для т40, а 1.85 не очень будет. В размерах могу ошибаться, не помню уже точно какие, помню что 1,6 и 1,8.

Косилка Косилка Виракс 1.65 Т-40 Какая Ширина как в работе