Как правильно отрегулировать лебедку ЗИЛ 131?

Всем доброго времени суток, кто знает как правильно отрегулировать лебедку ЗИЛ 131?

Лебедки ЗИЛ ЗИЛ 131 Регулировка Отрегулировать
Поделиться
КОММЕНТАРИЕВ (0)

Похожие посты

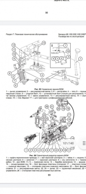
Отрегулировал ленты , затянул и открутил на 2 оборота оба лепестка регулировки . Почему рычаг не фиксируется в режиме выключено?

 Отрегулировал ленты , затянул и открутил на 2 оборота оба лепестка регулировки . Почему рычаг не фиксируется в режиме выключено?

Здравствуйте , подскажите пожалуйста. Отрегулировал ленты по книге , занянул и открутил на 2 оборота оба лепестка регулировки . Но по итогу рычаг не фиксируется в режиме "выключено " . Если ослабить отдельно тормозную ленту , тогда рычаг фиксируется в положение но Вом вращается .. как решить проблему , вом старого образца, если сильно ослабить ленту приводную, потом в поле отнимает много времени регулировка

Отрегулировать ленты затянуть открутить Обороты лепестки Регулировка Почему Рычаг не фиксируется Режим выключен

Какой порядок работы двс к 701 12 цилиндров? Клапана нужно отрегулировать.

Здравствуйте, коллеги. Не подскажете порядок работы двс к 701 12 цилиндров. Клапана нужно отрегулировать. Открывал крышку спереди, там не понятно.

Какой Какой порядок Работа ДВС К-701 12 цилиндров Клапана Отрегулировать регулировать Регулировка

Подойдёт ли резина с Зила 131 на передний мост мтз обычный?

Ребят , подойдёт эта резина с зила 131 на передний мост мтз обычный?

Подойдет ли подойдет резина ЗИЛ ЗИЛ 131 МТЗ Мост Передний мост обычный

На какое давление регулировать форсунки ДТ-75 двигатель А-41 с раздельными головками?

Мужики, на какое давление регулировать форсунки ДТ-75 двигатель А-41 с раздельными головками?

Давление Отрегулировать Регулировка Форсунка ДТ-75 А-41 Двигатель А 41 головка раздельные головки

Почему после замены тнвд, начал перегреваться двигатель на мтз 82 ? Пробило прокладку - заменили,переставляли зажигание,регулировали клапана.Проблема осталась.

День добрый ! После замены тнвд, начал перегреваться двигатель на мтз 82 , до этого таких проблем не наблюдалось , кто нибудь сталкивался с этим ? После двух месяцев эксплуатации , на температурах ближе к 100 градусам , пробило прокладку гбц, заменили , переставляли зажигание , регулировали клапана , но проблема все же осталась ! Сам радиатор чистый , но алюминиевый , циркуляция вроде есть ! Советуют поставить вентилятор на 6 лопастей вместо 4 х , и диффузор поставить , но думаю это не решит проблему , греется даже без особой нагрузки примерно за 30 минут эксплуатации !За ответы спасибо заранее.

МТЗ МТЗ 82 Прокладка ГБЦ Пробивает Замена Зажигание Выставить Клапана Отрегулировать Регулировка Проблема ТНВД Почему Перегрев Двигатель

Регулируется ли клапан на насосе, который стоит на голове 1221,( насос топливный), стал плохо заводится?

Мужики регулируется ли клапан на насосе каторый стоит на голове 1221 насос топливный стал плохо заводится.Всем спасибо заранее.

Регулировка Отрегулировать Как регулировать? Можно ли Клапан Насос Голова МТЗ 1221 Топливный насос Заводится Плохо

Почему трактор т-16 не набирает обороты и глохнет? Насос ремонтировали,форсунки регулировали.

Здравствуйте, подскажите . Трактор т-16 не набирает обороты и глохнет,насос ремонтировали,форсунки регулировали.

Почему Т-16 Не набирает Обороты Глохнет Насос ремонтировать Форсунка Отрегулировать Регулировка

Как правильно настраивать высоту стоек культиватора кпс 4.2? Стойки должны быть на одном уровне стойкодержателя? Высота переднего ряда лап должна быть выше последнего ?

Добрый день группа.... подскажите как правильно настраивать высоту стоек культиватора кпс 4.2. стойки должны быть на одном уровне стойкодержателя? Высота переднего ряда лап,и заднего должна быть одинакова,или первый ряд выше ставится относительно заднего ряда?Благодарю за ответы.

Как правильно? Отрегулировать Регулировка Высота Стойка Культиватор Культиватор кпс Культиватор кпс 4.2 Уровень Стойкодержатель Передний Ряд Лапы Задний

Почему самодельный культиватор на тракторе не углубляется в почву, центральной тягой регулирую, ничего не меняется?

Почему самодельный культиватор на тракторе не углубляется в почву, центральной тягой регулирую, ничего не меняется?

Доброго времени суток всем. Сделал на трактор самодельный культиватор, а он не углубляется в почву, центральной тягой регулирую, ничего не меняется. Подскажите, что может быть?

Культиватор Самодельная деталь Самодельный Не углубляется Почва Тяга Регулировка Отрегулировать

Почему МТЗ 82 (2001гв) плохо заводится с утра,раза со второго ? Новая поршневая,отрегулирована аппаратура,кап ремонт головки.

Приветствую коллеги) мтз 82 (2001гв) плохо заводится с утра,раза со второго, новая поршневая,отрегулирована аппаратура,кап ремонт головки..никто не сталкивался?

МТЗ МТЗ 82 Трактор Не заводится Плохо Заводится Поршневая Аппаратура Топливная аппаратура Отрегулировать Регулировка Капитальный ремонт капремонт двигателя головка