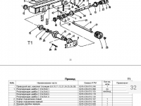
Можно ли поставить горизонтальный вал вместо 25 , 30 на виракс 1.85?

Всем привет. Что не кто не ответит, можно ли поставить горизонтальный вал вместо 25 поставить 30 будет на виракс 1.85?

Можно ли Поставить горизонтальный вал 25 Вместо 30 виракс 1.85
Поделиться
КОММЕНТАРИЕВ (17)
Евгений Копосов 12 августа 14:03
Не понял
Евгений Копосов 12 августа 14:05
Под 8 номером?
Сергей Каргаполов    Евгений Копосов    13 августа 09:10
Евгений, горизонтальный в брусе стоит
Евгений Копосов    Сергей Каргаполов    13 августа 10:19
Сергей,
Евгений Копосов    Евгений Копосов    13 августа 10:20
Евгений,
Владимир Кондратьев 13 августа 00:08
Если шестерни наденешь и бугеля затянешь ставь.
Сергей Каргаполов    Владимир Кондратьев    13 августа 09:05
Владимир, там вроде место есть должно все встать на место
Владимир Кондратьев    Сергей Каргаполов    13 августа 10:48
Сергей, а в каком месте ломает?
Сергей Каргаполов    Владимир Кондратьев    13 августа 13:41
Владимир, у первой банки где две шестеренки стоят сразу после их
Владимир Кондратьев    Сергей Каргаполов    13 августа 14:08
Сергей, ломает на посадке шестерни или где вал уже свободный? Просто если где посадка, то замена вала ничего не изменит. Проточка под шестерню останется прежней.
Сергей Каргаполов    Владимир Кондратьев    13 августа 14:57
Владимир, где вал свободный
Сергей Каргаполов    Владимир Кондратьев    13 августа 23:17
Владимир, ну вал то будет внутренний на тридцать не на 25
Владимир Кондратьев    Владимир Кондратьев    13 августа 23:33
Владимир, Так какой вал. В коробке?
Владимир Кондратьев    Сергей Каргаполов    13 августа 23:34
Сергей, ну так нормально, если его ломает где 25. У лисицки вал 30 стоит.
Сергей Каргаполов 13 августа 09:04
Я имел в виду вал будет ломать
Сергей Каргаполов 13 августа 09:07
25 вал уже три сломало
Айрат Альбертович    Сергей Каргаполов    13 августа 10:07
Сергей, он не просто так его ломает, нужно искать причину.

Похожие посты

Перебираю задний мост мтз 80 Можно ли поставить конусные подшипники в чулок на полуось вместо шарикового?

Мужики трактористы всем привет. Вопрос такой: перебираю задний мост 80-ки, один человек говорит,что можно поставить конусные подшипники в чулок на полуось вместо шарикового. Слышал ли кто нибудь о таком или ставил такие? Мне кажется, что это дичь какая та, подскажите ,пожалуйста .

перебираем Задний мост МТЗ 80 Можно ли Поставить конусные Подшипники Чулок Полуось Вместо шариковый

Проблема с тяжелым навесным. Поднимается в конце тяжело МТЗ 82.1 . Можно ли поставить новый (но плоский), вместо круглого НШ 32 на гидравлике?е он дешевле? И если можно, то требуется ли переделка по подходящим патрубкам и отходящим или нет? От:[id38106655|@id38106655] Александр Пожидаев

Всем добрый вечер. Возникла небольшая проблемка(только с тяжелым навесным. Поднимается в конце тяжело). Трактор МТЗ 82.1 2003 года. Вопрос такой. У меня стоит круглый НШ 32 на гидравлике. Можно ли поставить новый (но плоский), он дешевле? И если можно, то требуется ли переделка по подходящим патрубкам и отходящим или нет?

Проблема тяжелое навесное Поднимается Тяжело МТЗ 82.1 Можно ли Поставить Новый плоский Вместо круглый НШ 32

Т 16 погрузка сена. Можно ли поставить вместо центрифуги нш32 насос как т40?

Т 16 погрузка сено! Никто не ставил место центрофуги нш32 насос как т40?

Т-16 Можно ли Поставить Вместо Центрифуга НШ 32 Насос как на Т-40

Можно ли поставить нш 50 место нш32?. Работаю с установкой. Распределитель новый. Рвать ничего не будет?

Здравствуйте народ. Такой вопрос у меня к вам. Кто ставил нш 50 место нш32. Работаю с установкой. Распределитель новый. Если установить нш50 рвать не чего не будет?

Можно ли Поставить НШ-50 НШ 32 Вместо рвать Не будет ли не будет работают Установка Распределитель Новый

Можно ли вместо топливного фильтра поставить масляный фильтр на МТЗ 82 ?

Добрый день мужики…можно ли в место топливного фильтра поставит масляный фильтр на МТЗ 82 ?

Можно ли Вместо Топливный фильтр Масляный фильтр Поставить МТЗ 82

Можно ли на Мтз ЭО2621( экскаватор)снять установку и вместо насоса поставить ВОМ ?

Привет всем ,может кто то сталкивался ,можно ли на Мтз ЭО2621( экскаватор)снять установку и места насоса поставить ВОМ ?

возможно ли Можно ли Экскаватор МТЗ ЭО2621 Снять Установка Вместо Насос Поставить ВОМ

Как вместо пускача поставить стартер, мтз 80? Есть стартер от газ 53, можно ли как то поставить, если поменять шестерню? Подойдут ли шпильки?

Приветствую ребята. Хочу вместо пускача поставить стартер, мтз 80. Есть стартер от газ 53, можно ли как то поставить, если поменять шестерню. Подойдут ли шпильки? Мощность хватит? Спасибо.

Как Пускач Стартер Вместо Поставить МТЗ МТЗ 80 ГАЗ 53 Поменять Шестерня Можно ли Подойдут ли Шпильки

Можно на мотор д-50 поставить свечи накала вместо этих заглушек?

Доброго времени суток. Можно на мотор д-50 поставить свечи накала вместо этих заглушек ? Всем спасибо и все с праздником!!!

можно Можно ли Поставить Вместо Заглушка свечи накала мотор д-50

Можно ли поставить Нш16 вместо нш10 ?

Добрый день,коллеги. Нш16 вместо нш10 кто ставил?????Благодарю за ответы.

Можно ли Поставить НШ-10 НШ-16 Вместо

Можно ли поставить на мтз балку проблесковую?

Можно ли поставить на мтз балку проблесковую?

Всем доброго времени суток! Мужики, кто то может ставил на мтз такую или похожую балку проблесковую? Хочу поставить вместо штатного маяка. Как она в работе?Не мешается ли и как смотрится? Если кто-то скинет фото и поделиться опытом будет отлично

Можно ли Поставить МТЗ балка проблесковая