ЗАВОД
.РУ
Каталог товаров
СПОСОБЫ ОПЛАТЫ
ФОРУМ
КОНТАКТЫ
Регистрация
Войти
Акции и скидки
Найти товар
ЗАВОД РУ
Электрика и энергетика
Схема управление реверсивным пускателем
КАТАЛОГ ТОВАРОВ
Гидравлические насосы
Все гидравлические насосы
Адаптеры
Аксессуары для насосов
Аксиально-поршневые двухпоточные
Аксиально-поршневые насосы
Пластинчатые насосы
Регулируемые насосы
Ручные насосы
Сдвоенные шестеренные насосыв
Шестеренные гидравлические насосы
Гидравлические моторы
Все гидравлические моторы
Аксиально-поршневые моторы
Планетарные (героторные) моторы
Радиально-поршневые моторы
Шестерённые моторы
Гидравлические станции
Все гидростанции
Стандартные станции
Фильтрационные станции
Для гидропрессов
Для привода конвейерных лент
Для кантователей
Для металлургии
Для профилегибочного оборудования
Заправочные насосные станции
Автономные гидравлические станции
Компактные гидростанции
Для смазки подшипников
С регулируемыми насосами
Системы автоматического управления
Станции специального назначения
Аварийные гидростанции
Взрывозащищенные гидростанции
Гидростанции для испытания
Домкратные установки
Для железнодорожной техники
Станкостроение
Коробки отбора мощности
Все КОМ
КОМ MITSUBISHI
КОМ ISUZU
КОМ MERCEDES
КОМ VOLVO
КОМ SCANIA
КОМ RENAULT
КОМ MAN
КОМ EATON
КОМ ZF
КОМ КАМАЗ, ГАЗ
КОМ МАЗ
КОМ TOYOTA
КОМ IVECO
Валы для КОМ
Аксессуары для КОМ
Гидравлические распределители
Все гидравлические распределители
Автоматическое управление
Гидрораспределители моноблочные
Пропорциональные гидрораспределители
Тракторные гидрораспределители
Гидрораспределители самосвальные DTCA
Гидрораспределители секционные
Катушки MB/SN
Запасные части
Клапанная аппаратура
Вся клапанная аппаратура
Гидрозамки
Тормозные клапаны
Предохранительные клапаны
Клапаны обратные
Делители потока
Регулятор расхода
Клапаны управления давлением
Клапаны редукционные
Клапаны ограничения перемещения
Дроссели
Диверторы
Краны шаровые
Гидравлические соединения
Пропорциональный регулятор расхода
Концевые клапаны
Электромагнитные клапаны
Модульная гидроаппаратура
Вся модульная гидроаппаратура
Гидрораспределители модульные
Катушки
Модульная клапанная аппаратура
Плиты монтажные
Электромагниты к распределителям
Измерительная аппаратура
Вся измерительная аппаратура
Манометры осевые
Манометры радиальные
Цифровые манометры
Краны манометров
Аксессуары для манометров
Измерительные точки
Микрошланги
Набор диагностический CBOXMED4
Реле давления
Гидравлические фильтры
Все гидравлические фильтры
Напорные фильтры
Сливные фильтры
Линейные фильтры
Всасывающие фильтры
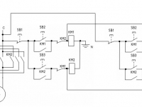
Схема управление реверсивным пускателем
Автор:
Николай Милян
16 мая 2019
Добавить в закладки
здравствуйте.подскажите схему управление реверсивным пускателем с двух мест.
Поделиться
КОММЕНТАРИЕВ (7)
Владимир Чернышов
16 мая 2019
Стоповые кнопки последовательно соединить, а пусковые параллельно...
Иван Степанов
16 мая 2019
Алексей Чумаченко
16 мая 2019
Иван, В этой схеме ошибки!!!
Алексей Биркин
16 мая 2019
Схема не рабочая!!!!
Алексей Биркин
16 мая 2019
Между Пр и КнС добавить ещё одну КнС последовательно . Удачи
Владимир Чернышов
16 мая 2019
Алексей, Плюс первой кнопки стоп ещё одна. Плюс пятяжильный кабель
Владимир Чернышов
16 мая 2019
После*
Right sidebar
Популярные сообщества
Добавить пост или вопрос
Трактора, сельхоз и спецтехника
Всё о сварке
Гидравлика и пневматика
Грузовики и автобусы
Строительство
Электрика и энергетика
Станки, материалы и инструменты
Авто-мото техника
Предложить сообщество
Связаться с нами
Прямой эфир
Александр Громов
Есть стопорное кольцо, в самом начале цилиндра где шток выходит, только там хитрый ключь нужен ...
Погрузчик универсал 800 , при разборке гидроцилиндров, направляющую нужно утапливать и под ней кольцо стопорное?
Евгений Лидовский
У меня такой же, брал под работу, такое себе удовольствие с ним работать, ладно себя отбил еще и денег принес, ща стоит ...
Новый измельчитель, работает отлично, но почему-то нет самозатяга веток, как мелких так и больших?.
Александр Петров
Василий, при 6 вылетают на ура ...
Погрузчик универсал 800 , при разборке гидроцилиндров, направляющую нужно утапливать и под ней кольцо стопорное?
Эдуард Макешин
Самому можно сделать ,да и проводов лишнех не будет ,зато после этой переделки будешь знать где что находится и за что о ...
Схема электропроводки МТЗ 80 малая кабина?
ПОПУЛЯРНЫЕ
Почему на т25 при прокрутке стартера замыкает в кабину и в местах креплений искрит?
401 комментарий
Беларус мтз 800/900 не могу разобраться с распределителем гидравлики. Почему нет третьго режима (плавающей)? Или нужно поднять рычаг вверх и так работать?
378 комментариев
Чистил снег, пропало сцепление. Через лючок видно что большой зазор на лапках. Подвёл выжимной до 3 мм, сцепление появилось, также хруст,пилящий звук.
306 комментариев
Поднимаю я хозяйство. Какой трактор лучше т40,либо мтз 80 или ЮМЗ?
274 комментария
Мтз82 Из-за чего может сжирать лапки, на старой корзине? Сменил новую, беда осталась и регулировочные винты развальцовывает.
247 комментариев
×
Имя:
Email:
Отправить
Главная
Каталог
Меню
Профиль
Корзина