Почему на Амкадоре не работает дистанционное отключение массы(не отрабатывает катушка) ?Контакты окисляются.

Почему на Амкадоре не работает дистанционное отключение массы(не отрабатывает катушка) ?Контакты окисляются.
Почему на Амкадоре не работает дистанционное отключение массы(не отрабатывает катушка) ?Контакты окисляются.
Почему на Амкадоре не работает дистанционное отключение массы(не отрабатывает катушка) ?Контакты окисляются.
Почему на Амкадоре не работает дистанционное отключение массы(не отрабатывает катушка) ?Контакты окисляются.

Всем здрасте. Столкнулся на Амкодоре с неработающим дистанционным отключением массы (не отрабатывала катушка). Решил разобраться. Посмотрел устройство в сети (Дальше будет набор фото), там катушка через гаечки подключается, у меня же видимо поновее будет - стоят пины - как их называют в народе папы. Разобрал - проверил изнутри, где провода от катушек припаяны - катушка нормально прозванивается, подал напругу туда же - работает. А через эти папы не работает. Разобрался )тоже в фотке от производителя но немного пофотошопил. Там к гайкам прикуручены папы (красным выделил), так это место окисляется, и катушка не работает. В данном случае все просто, отпаивать провода изнутри, гаечку отуручиваем и разбираем разъем, все зачищаем ,смазываем литолом и собираем. Надеюсь больше не будет проблем с контактом в этом месте. Всем работы без поломок.

Амкадор Катушка Масса Контакты Окисляются
Поделиться
КОММЕНТАРИЕВ (29)
Юра Доболев 12 февраля 2020
При включённой массе, но выключенном зажигание постоянно горит лампочка зарядки, так и должно быть на них?
Игорь Зырянов    Юра Доболев    12 февраля 2020
Юра, да. Это как бы световая сигнализация что масса включена
Юра Доболев    Игорь Зырянов    12 февраля 2020
Игорь, спасибо
Игорь Зырянов    Юра Доболев    12 февраля 2020
Юра, на лампочку зарядки идет отдельный проовод, ну а массу ты сам включаешь
Юра Доболев    Игорь Зырянов    12 февраля 2020
Игорь, на генератор приходит 3 провода. 1 со стартера, 2 возбуждение с замка, а 3-?
Юра Доболев    Юра Доболев    12 февраля 2020
Юра, Брал трактор. Там стоял глонасс, может быть от него?
Игорь Зырянов    Юра Доболев    12 февраля 2020
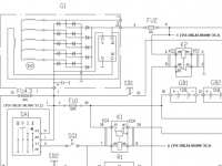
Юра, вот схема
Игорь Зырянов    Юра Доболев    12 февраля 2020
Юра, g1 генератор, sa1 - замок. Там всего один провод должен от замка быть
Игорь Зырянов    Юра Доболев    12 февраля 2020
Юра, Что у тебя не работает? Ты же не зря стал спрашивать
Юра Доболев    Юра Доболев    12 февраля 2020
Юра, Вообще изначально пропала зарядка на малых. Отдал генератор на ремонт , сказали обмотка сгорела. Сделали. Ставлю тоже самое
Игорь Зырянов    Юра Доболев    12 февраля 2020
Юра, а щетки живые? Мне кажется у тебя они давно сносились. обычно как раз из за износа их и начинаются проблемы на малых оборотах
Игорь Зырянов 12 февраля 2020
Айрат, специально сходил к трактору сфотал провода генератора
Юра Доболев    Игорь Зырянов    12 февраля 2020
Игорь, спасибо большое ????️
Игорь Зырянов 12 февраля 2020
вот такой генератор у меня
Игорь Зырянов 12 февраля 2020
Откуда у тебя там 4 провода
Юра Доболев    Игорь Зырянов    12 февраля 2020
Игорь, 3 контакта с генератора. Первый "В" это на стартер, второй "Д" возбуждение, и третий,скорей всего с глонасса(думаю на обороты)
Игорь Зырянов 12 февраля 2020
Посмотрел твое видео. Два варианта. первый - стерлись щетки, второй где то пропадает контакт.
Игорь Зырянов 12 февраля 2020
Ну если с щетками все понятно, то для поиска контакта нужен тестер - дружишь с тестером?
Игорь Зырянов 12 февраля 2020
первое, проверить напряжение на самом генераторе.при этом включи всю нагрузку у трактора, печка, фары. Проверь напряжение при холостом и оборотах (совпадает с показаниями вольметра на приборке?)
Юра Доболев    Игорь Зырянов    12 февраля 2020
Игорь, напряжение совпадает с показаниями вольметра. Холостые выдает ~23,на оборотах ~27
Игорь Зырянов    Юра Доболев    12 февраля 2020
Юра, тогда с генератором проблема. А то что ремонтник сказал все хорошо - я им давно не верю.
Юра Доболев    Игорь Зырянов    12 февраля 2020
Игорь, если честно, тоже так думаю.
Игорь Зырянов 12 февраля 2020
дальше уже по результатам
Макс Терещенко    Игорь Зырянов    12 февраля 2020
Игорь, привет уменя такой вопрос стоит камазовский генератор при заведенном двигатели горит лампа заряда но зарядку дает тахометр работает что может быть?
Игорь Зырянов    Макс Терещенко    12 февраля 2020
Макс, цепь тахометра и цепь лампы заряда - вообще никак не пересекаются. Если есть возможность подкинуть другую приборку - проверьте. Я разбираясь со своей приборкой - нашел совершенно идиотское решение по цепи заряда. Фото выкладывал - там сгорвшие 4 сопротивления - как раз они в цепи зарядки
Макс Терещенко    Игорь Зырянов    12 февраля 2020
Игорь, если свой генератор не горит с камазовским горит
Игорь Зырянов    Игорь Зырянов    12 февраля 2020
Игорь, а сколько проводов от вашего генератора родного отходит? Скажите тогда марку родного генератора и марку камазовского. дело в том, что цепь от генератора бывает 3 видов (старая система и однопроводная аналоговая), однопроводная BSI или как то так (но это уже полуцифровая система), и однопроводная LIN
Игорь Зырянов    Игорь Зырянов    12 февраля 2020
Игорь, Хочу сам себя поправить (освежил память) - не BSI , а BSS. бывают BSD
Юра Доболев 12 февраля 2020
В любом случае спасибо. Сегодня поеду в гараж, буду смотреть..