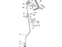
На 82.1 с наступлением морозов, ПВМ тяжело включается, рычаг сам, особенно на отключение. Как устранить?
Извиняюсь за возможно банальность)) на 82.1 с наступлением морозов, ПВМ стал тяжело включатся, рычаг сам, особенно на отключение. С чем связано? Как устранить?


, вд-40 побрызгать и потом маслом с масленки рычаг раздатки, и будет счастье
Всем привет, подскажите пожалуйста когда снимаешь кардан на МТЗ 82.1 и ездить нужно с включенным рычагом пвм или выключенным заранее спасибо.))
Добрый вечер всем ! Кто сталкивался с такой проблемой на МТЗ 82.1 перестала включатся девятая передача на половину включается а дальше не хочет , я грешу на паук может вилка выскочила просто не разу не приходилось иметь дело с коробкой передач не доводилось .
Мужики, в чём дело? На МТЗ 82.1 передок то и дело отключается. Пашу поле, на автомате рычаг, приходится держать. Шарик фиксатор на месте, всё с ним в порядке, рычаг не падает вниз. Куда смотреть? К чему готовится?
Всем добрый вечер. Возникла небольшая проблемка(только с тяжелым навесным. Поднимается в конце тяжело). Трактор МТЗ 82.1 2003 года. Вопрос такой. У меня стоит круглый НШ 32 на гидравлике. Можно ли поставить новый (но плоский), он дешевле? И если можно, то требуется ли переделка по подходящим патрубкам и отходящим или нет?
Здравствуйте, недавно приобрели мтз 82.1. При движении слышен гул, когда включен пам. В чем может быть причина?
Мтз 82.1 со шнекороторной установкой. Почему при включённом вом слышно скрежет, и дёргается рычаг включения вом? 2 года назад была такая публикация Точно такая же ситуация Кто- то может знает точно В чем причина?
Подскажите мтз 82.1,не работает печка, реле под потолком. Замыкаю рукой - включается. Реле менял, не помогает, ещё где то есть релюхи??
Привет, трактористам!!! Подскажите ,поменял ленты на вом, рычаг тормоза стопорил, теперь вом включается с ноги, а рычаг его не включает и не выключает, стоит мертво. Болты регулировки завернул до упора и открутил назад на 2 оборота 720 градусов. Что не так сделал?
Добрый день. Подскажите кто знает, начал дрибезжать рычаг переключения повышенная пониженная, что можно сделать? Мтз 82.1 120часов.
Всем привет, вопрос такой. Трактор МТЗ - 82 очень тяжело включается, передний мост рукой не включить, только молотком а иной раз нормально включается. В чем может быть причина?