XP105

Стандартный однонаправленный гидравлический насос из алюминия и с внешним креплением.

Фланец этой модели имеет диаметр ø25.4 мм. Возможно изменение направления вращения насоса по часовой стрелке или против часовой стрелки, не добавляя никаких компонентов (Действительно для всех версий этой модели, за исключением моделей с выходным отверстием или входом на переднем фланце.)

Технические данные:

  • Рабочий объем от 0,91 см 3 / об до 9,88 см 3
  • Максимальное давление до 300 бар
  • Частота вращения до 6000 об / мин

Изменение направления вращения гидронасоса Vivoil XP105


Если у вас появились вопросы или сложности с подбором товаров, свяжитесь с консультантом.
Купить оптом
По вопросам оптовой поставки гидравлического оборудования обращайтесь: opt@zavodru.ru

Общие технические параметры серии XP105

Минимальная частота вращения, об/мин
700
Тип используемой (рабочей) жидкости
Гидравлическое масло на минеральной основе HLP HV (DIN 51524)
Минимальная вязкость рабочей жидкости, мм²/c
10
Максимальная вязкость рабочей жидкости, мм²/c
100
Допустимая вязкость рабочей жидкости при пуске, мм²/c
1500
Рекомендуемая вязкость рабочей жидкости, мм²/с
20 – 100
Температура окруж. среды, °C
от -20 до +60
Допустимый диапазон температуры рабочей жидкости °C
от -15 до +80
Рекомендуемая рабочая температура жидкости, °C
от -30 до +50
Для температур выше 120°C
Требуются сальники на основе фторсодержащего эластомера
Максимальное давление всасывания жидкости на входе насоса, бар
0.02 – 0.08
Максимальное давление жидкости на входе насоса, бар
0.3 – 0.5 бар
Фильтрация жидкости на входе, микрон
30 – 60
Фильтрация жидкости на выходе, микрон
10 – 25
Максимальная скорость жидкости во входном канале, м/с
0.5 – 1.5
Максимальная скорость жидкости на выходе, м/с
3.0 – 5.5
Использование водного раствора гликоля
Максимальное число оборотов в минуту 1100 об/мин. Максимальное давление 170 бар
Фланец
ø25.4 мм.
Вал
конический 1:8 ø10 М7х1 шпонка 2.4

Конфигурации серии XP105

Конфигурации насосов серии XP105

Нажмите на код производителя, чтобы узнать подробные характеристики гидронасоса.

Серия XP105: направление вращения вала - Левое
Код производителя Рабочий объем, см³ Максимальное пиковое давление, бар Максимальная частота вращения, об/мин Вес, кг. Максимальное рабочее давление, бар Порт всасывания Порт нагнетания
X1P1601FBBA0.9128060000.952403/8" BSP3/8" BSP
X1P1701FBBA1.1729060000.972503/8" BSP3/8" BSP
X1P1801FBBA1.5629060001.012503/8" BSP3/8" BSP
X1P2001FBBA2.0829060001.032503/8" BSP3/8" BSP
X1P2101FBBA2.630060001.062503/8" BSP3/8" BSP
X1P2301FBBA3.1230060001.092503/8" BSP3/8" BSP
X1P2501FBBA3.6430060001.122503/8" BSP3/8" BSP
X1P2701FBBA4.1630060001.172503/8" BSP3/8" BSP
X1P2901FBBA4.9430060001.22503/8" BSP3/8" BSP
X1P3101FBBA5.8530050001.262503/8" BSP3/8" BSP
X1P3201FBBA6.530050001.32503/8" BSP3/8" BSP
X1P3401FBBA7.5426050001.362203/8" BSP3/8" BSP
X1P3601FBBA9.8823040001.51903/8" BSP3/8" BSP
Серия XP105: направление вращения вала - Правое
Код производителя Рабочий объем, см³ Максимальное пиковое давление, бар Максимальная частота вращения, об/мин Вес, кг. Максимальное рабочее давление, бар Порт всасывания Порт нагнетания
X1P1602FBBA0.9128060000.952403/8" BSP3/8" BSP
X1P1702FBBA1.1729060000.972503/8" BSP3/8" BSP
X1P1802FBBA1.5629060001.012503/8" BSP3/8" BSP
X1P2002FBBA2.0829060001.032503/8" BSP3/8" BSP
X1P2102FBBA2.630060001.062503/8" BSP3/8" BSP
X1P2302FBBA3.1230060001.092503/8" BSP3/8" BSP
X1P2502FBBA3.6430060001.122503/8" BSP3/8" BSP
X1P2702FBBA4.1630060001.172503/8" BSP3/8" BSP
X1P2902FBBA4.9430060001.22503/8" BSP3/8" BSP
X1P3102FBBA5.8530050001.262503/8" BSP3/8" BSP
X1P3202FBBA6.530050001.32503/8" BSP3/8" BSP
X1P3402FBBA7.5426050001.362203/8" BSP3/8" BSP
X1P3602FBBA9.8823040001.51903/8" BSP3/8" BSP

Однонаправленный гидронасос XP105, код производителя

Однонаправленный гидронасос XP105, код производителя

Таблица технических характеристик

Таблица технических характеристик гидронасосов XP105

P1) Макс. рабочее давление

P3) Макс. пиковое давление

Для работы насоса в тяжелом режиме рекомендуется проверять допустимый крутящий момент на валу.

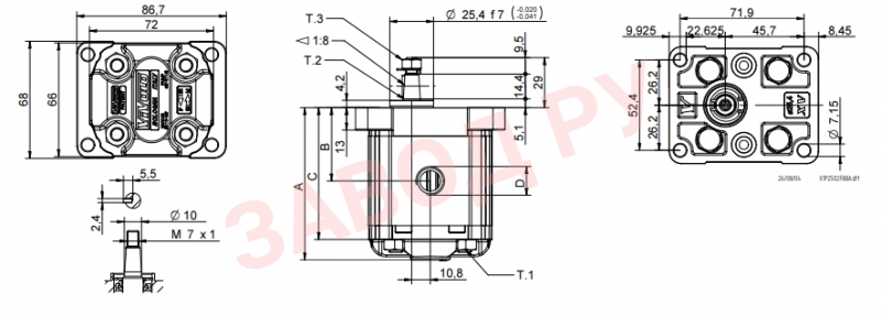
Таблица габаритов

Таблица габаритов XP105

T.1 = 24.5÷29.4 [Н-м] - крутящий момент затяжки винтов M8

T.2 = 43 [Н-м] - допустимый крутящий момент на валу (Примечание: Выбирая вал, всегда проверяйте допустимый крутящий момент).

T.3 = 11.5 [Н-м] - настройка динамометрического ключа 11

Габаритные размеры гидронасосов vivoil vivolo XP105

Таблица вариантов комплектации

Таблица вариантов комплектации гидронасосов vivoil vivolo XP105

В таблице указаны имеющиеся в ассортименте комбинации стандартных фланцев и резьб.

Таблица вариантов комплектации гидронасосов vivoil vivolo XP105
Поделиться