Тормозной клапан односторонний 3/4 VBCD SE/VOSEG3/4Y1

Код товара: GH-1843 Код завода производителя :
4.7
(17)

Цена по запросу

102 человекa купили этот товар
Доставка
Оплата
Купить оптом
По вопросам оптовой поставки гидравлического оборудования обращайтесь: opt@zvdru.ru

Технические характеристики и параметры

Производитель
Oleodinamica Marchesini
Вес, кг.
2.150
Максимальное пиковое давление, бар
350
Передаточное отношение
1:5,5
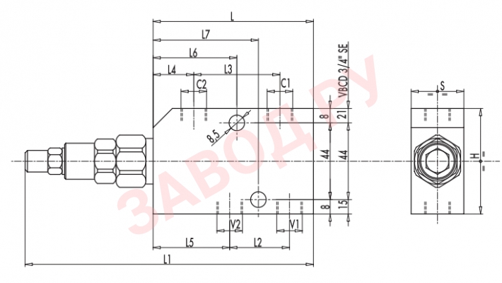
Размер H, мм
80
Размер L, мм
118
Размер L1
190
Размер S
35
Расход (л/мин)
105
Резьба
G3/4

Описание товара

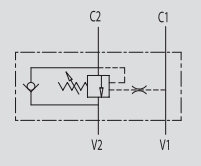
Тормозной односторонний клапан 3/4 VBCD SE/VOSEG3/4Y1 применяется для обеспечения плавности опускания нагруженных попутной нагрузкой гидроцилиндров и различного типа гидродвигателей. Тормозной клапан дополнительно выполняет функцию гидрозамка, а так же ограничивает максимальное давление в гидролинии, предотвращает кавитацию. Монтаж клапана возможно осуществить непосредственно на гидроцилиндре (гидродвигателе).

Фото одностороннего тормозного клапана 3/4 VBCD SE/VOSEG3/4Y1
Размеры одностороннего тормозного клапана 3/4 VBCD SE/VOSEG3/4Y1
Гидравлическая схема одностороннего тормозного клапана 3/4 VBCD SE/VOSEG3/4Y1
Поделиться

Отзывы

Средняя оценка покупателей: (17) 4.7 из 5 звезд
5
4
3
2
1