Тормозной клапан двусторонний 3/8 VBCD DE/A FLV (V0422/FLV)

Код товара: GH-1981 Код завода производителя :
4.6
(13)

Цена по запросу

57 человек купили этот товар
Доставка
Оплата
Купить оптом
По вопросам оптовой поставки гидравлического оборудования обращайтесь: opt@zvdru.ru

Технические характеристики и параметры

Производитель
Oleodinamica Marchesini
Вес, кг.
2.414
Максимальное пиковое давление, бар
350
Передаточное отношение
1:4,5
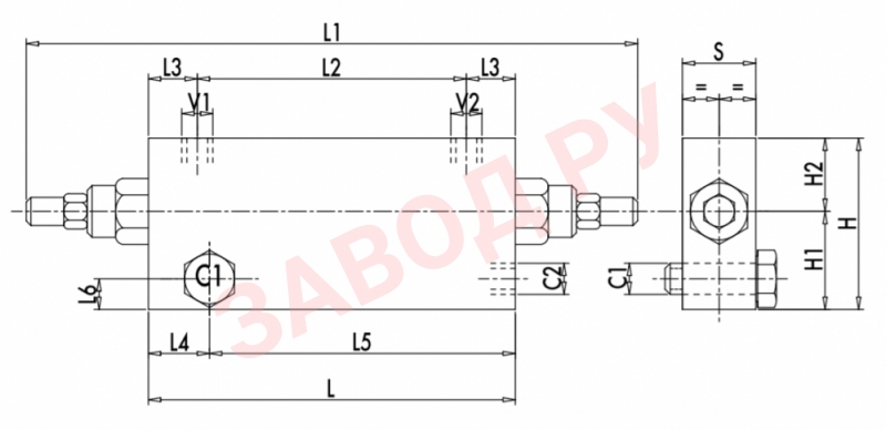
Размер H, мм
70
Размер L, мм
150
Размер L1
250
Размер S
30
Расход (л/мин)
40
Резьба
G3/8

Описание товара

Тормозной двусторонний клапан 3/8 VBCD DE/A FLV (V0422/FLV) применяется для обеспечения плавности опускания нагруженных попутной нагрузкой гидроцилиндров и различного типа гидродвигателей. Тормозной клапан дополнительно выполняет функцию гидрозамка, а так же ограничивает максимальное давление в гидролинии, предотвращает кавитацию. Монтаж клапана возможно осуществить непосредственно на гидроцилиндре (гидродвигателе).

Фото тормозного двустороннего клапана 3/8 VBCD DE/A FLV (V0422/FLV)
Размеры тормозного двустороннего клапана 3/8 VBCD DE/A FLV (V0422/FLV)
Гидравлическая схема тормозного двустороннего клапана 3/8 VBCD DE/A FLV (V0422/FLV)
Поделиться

Отзывы

Средняя оценка покупателей: (13) 4.6 из 5 звезд
5
4
3
2
1