Тормозной клапан двусторонний 1/4 VBCD DE/A/VODE-G1/4Y1

Код товара: GH-1983 Код завода производителя :
4.7
(12)

Цена по запросу

30 человек купили этот товар
Доставка
Оплата
Купить оптом
По вопросам оптовой поставки гидравлического оборудования обращайтесь: opt@zvdru.ru

Технические характеристики и параметры

Производитель
Oleodinamica Marchesini
Вес, кг.
1.968
Максимальное пиковое давление, бар
350
Передаточное отношение
1:4,5
Размер H, мм
60
Размер L, мм
150
Размер L1
248
Размер S
30
Расход (л/мин)
20
Резьба
G1/4''

Описание товара

Тормозной двусторонний клапан 1/4 VBCD DE/A/VODE-G1/4Y1 применяется для обеспечения плавности опускания нагруженных попутной нагрузкой гидроцилиндров и различного типа гидродвигателей. Тормозной клапан дополнительно выполняет функцию гидрозамка, а так же ограничивает максимальное давление в гидролинии, предотвращает кавитацию. Монтаж клапана возможно осуществить непосредственно на гидроцилиндре (гидродвигателе).

Фото тормозного двустороннего клапана 1/4 VBCD DE/A/VODE-G1/4Y1
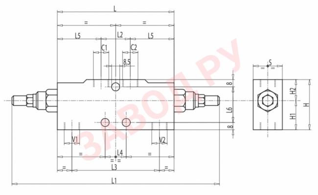
Размеры тормозного двустороннего клапана 1/4 VBCD DE/A/VODE-G1/4Y1
Гидравлическая схема тормозного двустороннего клапана 1/4 VBCD DE/A/VODE-G1/4Y1
Поделиться

Отзывы

Средняя оценка покупателей: (12) 4.7 из 5 звезд
5
4
3
2
1