Категории

Каталог

Шестеренные насосы — устройство и принцип работы

Шестеренные насосы — объемные роторные гидромашины, у которых подвижные элементы, образующие рабочие камеры совершают вращательное движение.

Рабочие камеры в шестеренных насосах образуются за счет профиля шестерен, ограниченные корпусом и торцевыми деталями (например крышками корпуса). Вытеснителями являются зубья шестерни.

Как работает шестеренный насос?

Находящиеся в зацеплении шестерни с зубьями эвольвентного профиля вращаются в противоположном положении. В области, где шестерни выходят из зацепления объем рабочей камеры увеличивается, создается разряжение, жидкость через всасывающий патрубок поступает в полость насоса.

Как работает шестеренный насос. Заполнение жидкости

Заполнив пространство, образованное впадинами шестерен, жидкость без сжатия переносится из области всасывания в область нагнетания. Рабочую камеру замыкают внутренняя поверхность корпуса и торцевые крышки.

Как работает шестеренный насос. Перенос жидкости

В области нагнетания зубья шестерни входят в зацепление и выталкивают жидкость, заполнявшую впадины.

Из-за того, что в момент зацепления между шестернями обеспечивает плотный контакт, жидкость не может перетечь обратно из области нагнетания в область всасывания.

Как работает шестеренный насос. Вытеснение жидкости

Достоинства и недостатки шестеренных насосов

Шестеренные насосы получили широкое распространение в мобильной технике, гидравлических приводах станков, прессов, это обуславливается:

  • простотой конструкции

  • технологичностью

  • невысоким требованиям к рабочей жидкости

  • невысокой стоимостью.

Однако, шестеренные насосы имеют и некоторые недостатки, ограничивающие их применение:

  • большой периметр утечек

  • сложность уплотнения рабочих камер

  • возможность применения при давлении не более 25 МПа

  • относительная неравномерность подачи

  • отсутствие возможности объемного регулирования

  • большие радиальные нагрузки на шестерни со стороны полоти нагнетания.

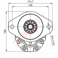
Обзор типовых конструкций шестеренных насосов серии НШ Насосы типа НШ-Е

Действие давления на шестерни насоса неравномерно, ведущая шестерня воспринимает большую нагрузку, чем ведомая. Для предотвращения неравномерного износа со стороны области высокого давления в насосах НШ-10Е применяют фигурную манжету и поджимную пластину.

Конструкция насоса типа НШ-Е показана на рисунке.

Шестеренные гидравлические насосы

В корпусе насоса установлены опорные втулки, являющиеся подшипниками скольжения, к которых могут вращаться ведущий и ведомый вал-шестерни. Ведущий вал уплотняется с помощью каркасного сальника.

Крышка крепится к корпусу с помощью винтов, уплотнение обеспечивает резиновое кольцо.

Коэффициент перекрытия зубчатого зацепления всегда больше 1, это означает, что в некоторый момент времени в зацеплении находятся две пары зубьев, между которыми образуется запертый объем, в котором находится жидкость. Сначала она сжимается, давление значительно возрастает, повышаются нагрузки на шестерни, затем объем увеличивается, а давление становится ниже атмосферного, наблюдается кавитация.

Для борьбы с этим нежелательным явлением в опорных втулках насосов НШ-Е выполняют разгрузочные канавки.

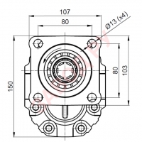
Насосы типа НШ-У

Для обеспечения минимального торцевого зазора и компенсации износа, в насосах серии НШ-У предусмотрено автоматическое уплотнение шестерен по торцам.

В насосе установлены две плавающие втулки, которые поджимаются к торцам шестерен давлением жидкости из полости нагнетания.

Для устранения перекоса втулок, часть площади со стороны нагнетания изолируется специальной деталью.

Насосы НШ-К

В конструкции насосов серии НШ-К предусмотрен не только торцевой, но и радиальный поджим.

В круглый корпус насоса установлена подшипниковая обойма. Вторую половину подшипника составляет уплотняющая обойма, которая позволяет обеспечить радиальное уплотнение. В центральной части обоймы с высокой точностью изготовлены два сегмента, охватывающие дугу вокруг каждой шестерни. Эти сегменты ограничивают зону высокого давления.

Уплотнение в торцевом направлении осуществляется с помощью поджимаемых платиков, установленных в пазах обоймы. В платиках выполнены канавки для резиновых уплотнений.

Такая конструкция позволяет обеспечить высокую точность расположения шестерен и обеспечить уплотнение как в торцевом, так и в радиальном направлении. Это позволяет насосам серии НШ-К обеспечивать рабочее давление до 20 МПа.

Основные параметры для выбора насоса

Подбор насоса осуществляется по характеристикам, главными из которых являются:

  • Номинальное или рабочее давление — давление, измеряемое в атм.(атмосферах) или МПа (Мегапаскалях), при котором производитель гарантирует сохранение у насоса паспортных характеристик, надежности, долговечности, безопасности

  • Подача насоса - объем жидкости, измеряемый в л/мин или см3/об, проходящий через напорный патрубок насоса в единицу времени.

Идеальная подача (без учета утечек) определяется как произведение рабочего объема на частоту вращения приводного вала насоса.

Qи= n*q;

  • где n - частота вращения приводного вала

  • q - рабочий объем насоса - объём рабочей жидкости, нагнетаемый насосом за один оборот приводного вала. см3

При расчете реальной подачи учитывается коэффициент подачи (объемный КПД насоса - η):

Q=n*q*η; обычно η берут равным 90%, η=0,9

Направление вращения — требуемое направление вращения ведущего вала шестерни.

Насосы серии НШ, из-за конструктивных особенностей, являются нереверсивными, то есть они способны нагнетать жидкость только в одном направлении. Направление движения жидкости указывается стрелкой, или с помощью надписей "Вход", "Выход", нанесенные на корпус.

Для того, чтобы жидкость направлялась от входа к выходу вал должен вращаться в правильном направлении. У насосов правого вращения, вал должен двигаться по часовой стрелке (при наблюдении со стороны вала), у насосов левого вращения вал должен вращаться против часовой стрелки.

Гидронасосы левого и правого вращения
Поделиться