Клапан ИЛИ 3/8 VU2P 3/8

Код товара: GH-1884 Код завода производителя :
4.8
(9)

Цена по запросу

79 человек купили этот товар
Доставка
Оплата
Купить оптом
По вопросам оптовой поставки гидравлического оборудования обращайтесь: opt@zvdru.ru

Технические характеристики и параметры

Производитель
Oleodinamica Marchesini
Вес, кг.
0.530
Максимальное пиковое давление, бар
450
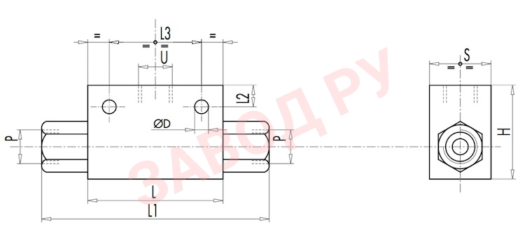
Размер D, мм
8,5
Размер E, мм
-
Размер H, мм
40
Размер L, мм
60
Размер L1
104
Размер S
30
Расход (л/мин)
45
Резьба
G3/8

Описание товара

Клапан "ИЛИ" 3/8 VU2P 3/8 (V0668) автоматическим образом направляет рабочую жидкость в ту линию, где выше давление, выбирая из двух рабочих линий. Клапан изготовлен из качественной стали. Уплотнения стандарта BUNA N. Необходимо соединить порт P с линиями напора, а порт U с потребителем.

Фото клапана ИЛИ 3/8 VU2P 3/8 (V0668)
 Размеры клапана ИЛИ 3/8 VU2P 3/8 (V0668)
Гидравлическая схема клапана ИЛИ 3/8 VU2P 3/8 (V0668)
Поделиться

Отзывы

Средняя оценка покупателей: (9) 4.8 из 5 звезд
5
4
3
2
1