Клапан ИЛИ 1/2 VU2P 1/2 (V0670)

Код товара: GH-1885 Код завода производителя :
4.7
(15)

Цена по запросу

67 человек купили этот товар
Доставка
Оплата
Купить оптом
По вопросам оптовой поставки гидравлического оборудования обращайтесь: opt@zvdru.ru

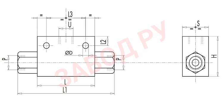
Технические характеристики и параметры

Производитель
Oleodinamica Marchesini
Вес, кг.
0.652
Максимальное пиковое давление, бар
450
Размер D, мм
8,5
Размер E, мм
-
Размер H, мм
50
Размер L, мм
60
Размер L1
104
Размер S
30
Расход (л/мин)
70
Резьба
G1/2

Описание товара

Клапан "ИЛИ" 1/2 VU2P 1/2 (V0670) автоматическим образом направляет рабочую жидкость в ту линию, где выше давление, выбирая из двух рабочих линий. Клапан изготовлен из качественной стали. Уплотнения стандарта BUNA N. Необходимо соединить порт P с линиями напора, а порт U с потребителем.

Фото клапана ИЛИ 1/2 VU2P 1/2 (V0670)
 Размеры клапана ИЛИ 1/2 VU2P 1/2 (V0670)
Гидравлическая схема клапана ИЛИ 1/2 VU2P 1/2 (V0670)
Поделиться

Отзывы

Средняя оценка покупателей: (15) 4.7 из 5 звезд
5
4
3
2
1