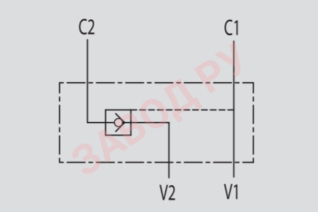
Односторонний гидрозамок А 1/2 VBPSE A (V0276) применяется для удержания гидроцилиндров/гидродвигателей в неподвижном положении под нагрузкой. Рабочая жидкость блокируется в полости гидроцилиндра C2 при отсутствии давления в порте V1. Такие гидрозамки могут устанавливаться непосредственно на гидроцилиндр. Корпус изготовлен из оцинкованной стали. Внутренние компоненты шлифованная закаленная сталь, Уплотнения стандарта BUNA N. Тарельчатый тип запорного элемента. Необходимо присоединить порты V1 и V2 к рабочим портам гидрораспределителя, а порты C1 и C2 к гидроцилиндру/гидродвигателю (C2 к блокируемой линии).
 
   
  