Гидрозамок односторонний 3-х линейный 1/2 VBPSL/VBPSE-G1/2

Код товара: GH-1812 Код завода производителя :
4.8
(15)

Цена по запросу

98 человек купили этот товар
Доставка
Оплата
Купить оптом
По вопросам оптовой поставки гидравлического оборудования обращайтесь: opt@zvdru.ru

Технические характеристики и параметры

Производитель
Oleodinamica Marchesini
Вес, кг.
1,04
Давление открытия, бар
3
Максимальное пиковое давление, бар
300
Передаточное отношение
1:4,6
Размер H, мм
42
Размер L1
120
Размер S
42
Расход (л/мин)
45
Резьба
G1/2

Описание товара

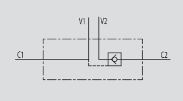
Односторонний 3-х линейный гидрозамок VBPSL/VBPSE применяется для удержания гидроцилиндров/гидродвигателей в неподвижном положении под нагрузкой. Рабочая жидкость блокируется в линии "C" при отсутствии давления в линии управления (pil). Корпус гидрозамка изготовлен из оцинкованной стали. Внутренние компоненты – закаленная шлифованная сталь. Уплотнения стандарта BUNA N. Тарельчатый тип запорного элемента. Необходимо присоединить порт "V" к рабочей линии гидрораспределителя, порт "C" к гидроцилиндру/гидродвигателю (к блокируемой линии), а порт "pil" к линии управления.

Фото гидрозамка 1/2 VBPSL/VBPSE-G1/2
Размеры гидрозамка 1/2 VBPSL/VBPSE-G1/2
Гидравлическая схема гидрозамка 1/2 VBPSL/VBPSE-G1/2
Поделиться

Отзывы

Средняя оценка покупателей: (15) 4.8 из 5 звезд
5
4
3
2
1