Гидрозамок односторонний 1/4 VBPSE L 4 VIE (V0220)

Код товара: GH-1807 Код завода производителя :
4.8
(17)

Цена по запросу

36 человек купили этот товар
Доставка
Оплата
Купить оптом
По вопросам оптовой поставки гидравлического оборудования обращайтесь: opt@zvdru.ru

Технические характеристики и параметры

Производитель
Oleodinamica Marchesini
Вес, кг.
0.612
Давление открытия, бар
4
Максимальное пиковое давление, бар
350
Передаточное отношение
1:5,5
Размер H, мм
40
Размер L1
106,5
Размер S
30
Расход (л/мин)
20
Резьба
G1/4

Описание товара

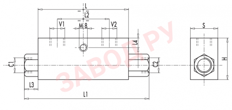
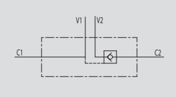
Односторонний гидрозамок 1/4 VBPSE L 4 VIE (V0220) применяется для удержания гидроцилиндров/гидродвигателей в неподвижном положении под нагрузкой. Рабочая жидкость блокируется в полости гидроцилиндра C2 при отсутствии давления в порте V1. Такие гидрозамки могут устанавливаться непосредственно на гидроцилиндр. Корпус изготовлен из оцинкованной стали. Внутренние компоненты шлифованная закаленная сталь, Уплотнения стандарта BUNA N. Тарельчатый тип запорного элемента. Необходимо присоединить порты V1 и V2 к рабочим портам гидрораспределителя, а порты C1 и C2 к гидроцилиндру/гидродвигателю (C2 к блокируемой линии).

Фото гидрозамка 1/4 VBPSE L 4 VIE (V0220)
Гидравлическая схема гидрозамка 1/4 VBPSE L 4 VIE (V0220)
Размеры гидрозамка 1/4 VBPSE L 4 VIE (V0220)
Поделиться

Отзывы

Средняя оценка покупателей: (17) 4.8 из 5 звезд
5
4
3
2
1