Гидрозамок односторонний 1/2 VBPSE L 4 VIE

Код товара: GH-2577 Код завода производителя :
4.6
(16)

Цена по запросу

89 человек купили этот товар
Доставка
Оплата
Купить оптом
По вопросам оптовой поставки гидравлического оборудования обращайтесь: opt@zvdru.ru

Технические характеристики и параметры

Производитель
Oleodinamica Marchesini
Вес, кг.
0.994
Давление открытия, бар
6
Максимальное пиковое давление, бар
350
Передаточное отношение
1:5
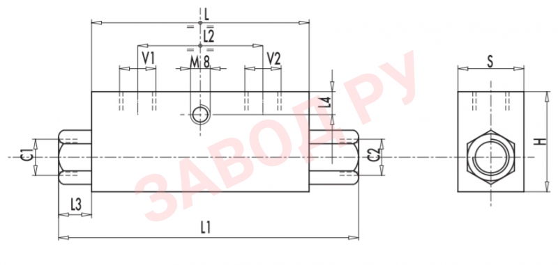
Размер H, мм
45
Размер L1
133
Размер S
35
Расход (л/мин)
50
Резьба
G1/2

Описание товара

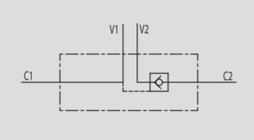
Односторонний гидрозамок 1/2 VBPSE L 4 VIE применяется для удержания гидроцилиндров/гидродвигателей в неподвижном положении под нагрузкой. Рабочая жидкость блокируется в полости гидроцилиндра C2 при отсутствии давления в порте V1. Такие гидрозамки могут устанавливаться непосредственно на гидроцилиндр. Корпус изготовлен из оцинкованной стали. Внутренние компоненты шлифованная закаленная сталь, Уплотнения стандарта BUNA N. Тарельчатый тип запорного элемента. Необходимо присоединить порты V1 и V2 к рабочим портам гидрораспределителя, а порты C1 и C2 к гидроцилиндру/гидродвигателю (C2 к блокируемой линии).

Фото гидрозамка 1/2 VBPSE L 4 VIE
Размеры гидрозамка 1/2 VBPSE L 4 VIE
Гидравлическая схема гидрозамка 1/2 VBPSE L 4 VIE
Поделиться

Отзывы

Средняя оценка покупателей: (16) 4.6 из 5 звезд
5
4
3
2
1