Гидронасосы Vivoil - Vivolo серия XP001

Стандартный однонаправленный гидравлический насос из алюминия и с внешним зацеплением.

Фланец этой модели имеет диаметр 22 мм. Возможно изменение направления вращения насоса по часовой стрелке или против часовой стрелки, не добавляя никаких компонентов (Действительно для всех версий этой модели, за исключением моделей с выходным отверстием или входом на переднем фланце.)

Технические данные:

  • Рабочий объем от 0,16 см 3 / об до 2,28 см 3 / об
  • Максимальное давление до 280 бар
  • Частота вращения до 9000 об / мин

Изменение направления вращения гидронасоса Vivoil XP001


Если у вас появились вопросы или сложности с подбором товаров, свяжитесь с консультантом.
Купить оптом
По вопросам оптовой поставки гидравлического оборудования обращайтесь: opt@zavodru.ru

Общие технические параметры серии XP001

Минимальная частота вращения, об/мин
700
Тип используемой (рабочей) жидкости
Гидравлическое масло на минеральной основе HLP HV (DIN 51524)
Минимальная вязкость рабочей жидкости, мм²/c
10
Максимальная вязкость рабочей жидкости, мм²/c
100
Допустимая вязкость рабочей жидкости при пуске, мм²/c
1500
Рекомендуемая вязкость рабочей жидкости, мм²/с
20 – 100
Температура окруж. среды, °C
от -20 до +60
Допустимый диапазон температуры рабочей жидкости °C
от -15 до +80
Рекомендуемая рабочая температура жидкости, °C
от -30 до +50
Для температур выше 120°C
Требуются сальники на основе фторсодержащего эластомера
Максимальное давление всасывания жидкости на входе насоса, бар
0.02 – 0.08
Максимальное давление жидкости на входе насоса, бар
0.3 – 0.5 бар
Фильтрация жидкости на входе, микрон
30 – 60
Фильтрация жидкости на выходе, микрон
10 – 25
Максимальная скорость жидкости во входном канале, м/с
0.5 – 1.5
Максимальная скорость жидкости на выходе, м/с
3.0 – 5.5
Использование водного раствора гликоля
Максимальное число оборотов в минуту 1100 об/мин. Максимальное давление 170 бар
Фланец
ø22 мм
Вал
цилиндрический ø7 М7х1 шпонка 2.

Конфигурации серии XP001

Конфигурации насосов серии XP001

Нажмите на код производителя, чтобы узнать подробные характеристики гидронасоса.

Серия XP001: направление вращения вала - Левое
Код производителя Рабочий объем, см³ Максимальное пиковое давление, бар Максимальная частота вращения, об/мин Вес, кг. Максимальное рабочее давление, бар Порт всасывания Порт нагнетания
X0P0101ABBA0.1726090000.42201/4' BSP1/4' BSP
X0P0201ABBA0.2526090000.412201/4' BSP1/4' BSP
X0P0401ABBA0.4528090000.422201/4' BSP1/4' BSP
X0P0501ABBA0.5728090000.432201/4' BSP1/4' BSP
X0P0601ABBA0.7628090000.442201/4' BSP1/4' BSP
X0P0701ABBA0.9828060000.462201/4' BSP1/4' BSP
X0P0901ABBA1.2728060000.482201/4' BSP1/4' BSP
X0P1101ABBA1.5228060000.52201/4' BSP1/4' BSP
X0P1301ABBA2.321050000.561901/4' BSP1/4' BSP
Серия XP001: направление вращения вала - Правое
Код производителя Рабочий объем, см³ Максимальное пиковое давление, бар Максимальная частота вращения, об/мин Вес, кг. Максимальное рабочее давление, бар Порт всасывания Порт нагнетания
X0P0102ABBA0.1726090000.42201/4' BSP1/4' BSP
X0P0202ABBA0.2526090000.412201/4' BSP1/4' BSP
X0P0402ABBA0.4528090000.422201/4' BSP1/4' BSP
X0P0502ABBA0.5728090000.432201/4' BSP1/4' BSP
X0P0602ABBA0.7628090000.442201/4' BSP1/4' BSP
X0P0702ABBA0.9828060000.462201/4' BSP1/4' BSP
X0P0902ABBA1.2728060000.482201/4' BSP1/4' BSP
X0P1102ABBA1.5228060000.52201/4' BSP1/4' BSP
X0P1302ABBA2.321050000.561901/4' BSP1/4' BSP

Однонаправленный гидронасос XP001, код производителя

Однонаправленный гидронасос XP001, код производителя

Таблица технических характеристик

Таблица технических характеристик гидронасосов XP001

P1) Макс. рабочее давление Для работы насоса в тяжелом режиме рекомендуется проверять допустимый

P3) Макс. пиковое давление

Для работы насоса в тяжелом режиме рекомендуется проверять допустимый крутящий момент на валу.

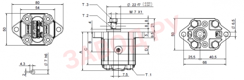
Таблица габаритов

Таблица габаритов XP001

T.1 = 11.7÷13.7 [Н-м] - крутящий момент затяжки винтов M6

T.2 = 2.1 [Н-м] - допустимый крутящий момент на валу (Примечание: Выбирая вал, всегда проверяйте допустимый крутящий момент).

T.3 = 11.5 [Н-м] - настройка динамометрического ключа 11

Габаритные размеры гидронасосов vivoil vivolo XP001

Таблица вариантов комплектации

Таблица вариантов комплектации гидронасосов vivoil vivolo XP001

В таблице указаны имеющиеся в ассортименте комбинации стандартных фланцев и резьб.

Таблица вариантов комплектации гидронасосов vivoil vivolo XP001
Поделиться