Гидрозамок 3/8 VBPSE L C/RUBI лев.(V0074/SE)

Код товара: GH-1835 Код завода производителя :
4.9
(10)

Цена по запросу

80 человек купили этот товар
Доставка
Оплата
Купить оптом
По вопросам оптовой поставки гидравлического оборудования обращайтесь: opt@zvdru.ru

Технические характеристики и параметры

Производитель
Oleodinamica Marchesini
Вес, кг.
0,964
Давление открытия, бар
3
Максимальное пиковое давление, бар
350
Передаточное отношение
1:5,5
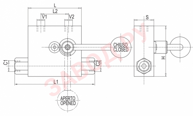
Размер H, мм
60
Размер L1
118
Размер S
30
Расход (л/мин)
50
Резьба
3/8

Описание товара

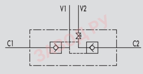
Гидрозамок 3/8 VBPSE L C/RUBI лев.(V0074/SE) предназначен для удержания гидроцилиндров/гидродвигателей в неподвижном положении под нагрузкой. Рабочай жидкость удерживается в портах гидроцилиндра C1 и C2 при отсутствии давления в портах V1 и V2. Особенно подходит для монтажа на цилиндрах стабилизаторов: перекрытие крана позволяет исключить риски ошибок маневрирования. Корпус замкаизготоавлен из оцинкованной стали. Внутренние компоненты: закаленная шлифованная сталь. Уплотнения стандарта BUNA N. Тип запорного элемента: тарельчатый. Необходимо присоединить порты V1 и V2 к линиям гидрораспределителя, а порта C1 и C2 к линиям напора и слива.

Фото гидрозамка 3/8 VBPSE L C/RUBI лев.(V0074/SE)
Гидравлическая схема гидрозамка 3/8 VBPSE L C/RUBI лев.(V0074/SE)
Размеры гидрозамка 3/8 VBPSE L C/RUBI лев.(V0074/SE)
Поделиться

Отзывы

Средняя оценка покупателей: (10) 4.9 из 5 звезд
5
4
3
2
1