Гидрозамок двусторонний 3/4 VBPDE/VBDE-G3/4MX

Код товара: GH-1833 Код завода производителя :
5
(3)

Цена по запросу

56 человек купили этот товар
Доставка
Оплата
Купить оптом
По вопросам оптовой поставки гидравлического оборудования обращайтесь: opt@zvdru.ru

Технические характеристики и параметры

Производитель
Oleodinamica Marchesini
Вес, кг.
1,916
Давление открытия, бар
2
Максимальное пиковое давление, бар
300
Передаточное отношение
1:4
Размер H, мм
60
Размер L1
192
Размер S
40
Расход (л/мин)
100
Резьба
G3/4

Описание товара

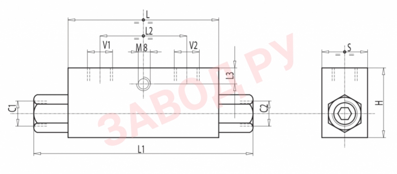
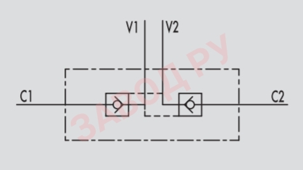
Гидрозамок 3/4 VBPDE/VBDE-G3/4MX предназначен для удержания гидравлических гидроцилиндров/гидродвигателей в неподвижном положении под нагрузкой. Рабочая жидкость удерживается в портах гидроцилиндра/гидродвигателя C1 и C2 при отсутствии давления в портах V1 и V2. Корпус замка изготовлен из оцинкованной стали. Внутренние компоненты – закаленная шлифованная сталь. Уплотнения по стандарту BUNA N. Тарельчатый тип запорного элемента. Необходимо присоединить порты V1 и V2 к рабочим линиям гидрораспределителя, а порты C1 и C2 к напорной и сливной линиям.

Фото гидрозамка 3/4 VBPDE/VBDE-G3/4MX
Гидравлическая схема гидрозамка 3/4 VBPDE/VBDE-G3/4MX
Размеры 3/4 VBPDE/VBDE-G3/4MX
Поделиться

Отзывы

Средняя оценка покупателей: (3) 5 из 5 звезд
5
4
3
2
1