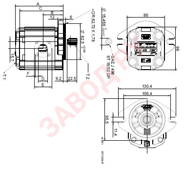
Серия XV-2P SAE   Гидравлический насос шестерённый 2гр 17см3 XV2P/17(X2P5151ICBA) SAE A лев   
 Шестеренный насос итальянской фирмы Vivoil модели XV2P/17(X2P5151ICBA) предназначен для подачи рабочей жидкости в различных станках, гидростанциях, сельскохозяйственных машинах, промышленном оборудовании и мобильной технике. Насос можно заказать в различном исполнении: вала, монтажного фланца, присоединительными портами. Корпус изготовлен из алюминия.
